Bei frühen Motorfahrzeugen wird die Technik sehr genau und detailreich beschrieben. Da die Fahrzeughersteller mit vielen Komponenten experimentieren, schwingt in den Beschreibung Stolz auf den eigenen Entwicklergeist - und natürlich auf das Ergebnis - mit. Für das Imperial Rover 3 h.p. Motorrad geht ROVER auf einige Komponenten ausführlich ein.
Der Motor

Die Imperial ROVER Motoren zeichnen sich durch folgende Punkte aus:
Das problematische selbsttätige Einlassventil, das schon immer für so viel Ärger gesorgt hat, wurde abgeschafft, und sowohl das Einlass- als auch das Auslassventil werden mit identischen mechanischen Mitteln betätigt, wobei für jedes Ventil ein separater Nocken verwendet wird und das untere Ende jedes Ventilstößels mit einer Rolle versehen ist, um die Reibung zu minimieren. Eine verbesserte und geschützte Methode zum Halten der Ventilfedern wird verwendet. Sie besteht aus einem geschlitzten Kragen, der in der Nähe des Endes des Ventilschaftes auf einen reduzierten Durchmesser gleitet, über den eine Hülse passt, die ihn in seiner Schale hält; der obere Teil der Hülse ist ausgebohrt, um das untere Ende der Ventilfeder aufzunehmen.
Da beide Ventile austauschbar sind, muss nur ein Ersatzventil mitgeführt werden.
Das Zweigang - Getriebe
| Legende | |||
|---|---|---|---|
| 1 | Gehäuse des Zweigang-Getriebes | 10 | Kettenritzel |
| 2 | Hauptantriebswelle | 11 | Gleitschuh für bewegliche Kupplung |
| 3 | Kettenrad | 12 | Geschmiedeter Hebel für bewegliche Kupplung |
| 4 | Doppel-Klauen-Kupplung | 13 | Kippwelle für Gabelhebel |
| 5 | Niedertouriges Ritzel | 14 | Hebel für Kippwelle |
| 6 | Hochtouriges Ritzel | 15 | Deckel für Inspektionsloch im Gehäuse |
| 7 | Hinterer Wellenzapfen | 16 | Laschen zur Befestigung des Gehäuses am Maschinenrahmen |
| 8 | Großes Zahnrad auf der hinteren Welle | 17 | Mutter zum Einstellen der Ketten |
| 9 | Kleines Zahnrad auf der hinteren Welle | 18 | Ölschraube für Gehäuse |
Das Zweigang - Getriebe befindet sich in einem öldichten Gehäuse (1), das zwischen dem Motor und dem Hinterrad angeordnet ist. Es besteht aus einer Welle (2), an deren einem Ende ein Kettenrad (3) angelenkt ist, das über eine Rollenkette mit der Kupplung verbunden ist. In der Mitte der Welle befindet sich ein quadratischer Teil, auf dem die verschiebbare Doppelklauenkupplung (4) montiert ist. An einem Ende der Welle befindet sich ein kleines Stirnradgetriebe (5) und am anderen Ende ein größeres Stirnradgetriebe (6), die beide unabhängig voneinander auf der Welle drehbar sind, aber über die Klauenkupplung auf Wunsch mit der Welle verriegelt werden können. Auf der Rückseite der Welle und parallel dazu läuft eine weitere Welle (7); die Stirnräder (8) und (9) sind auf deren Ende aufgesetzt und befinden sich im Eingriff mit den zuvor genannten Stirnrädern. Das Stirnradgetriebe (6) hat eine verlängerte Nabe auf der gegenüberliegenden Seite des Kettenrads (3), auf der das Kettenritzel (10) befestigt ist, das die Kraft auf das hintere Laufrad überträgt. Die beiden Wellen sind kugelgelagert und die Rutschkupplung (4) wird durch einen Gleitschuh (11) und einen Gabelhebel (12) betätigt, der auf der Schwingwelle (13), die durch einen Hebel (14), der an ihrem äußeren Ende befestigt ist, bewegt werden kann. Dieser Hebel ist über eine Verbindungsstange mit einem Handhebel am Oberrohr der Maschine gekoppelt. Wenn die Kupplung (4) im Eingriff mit dem niedrigen Gang (5) ist, wird die Bewegung der Vierkantwelle (2) auf das Kettenritzel (I0) durch die Untersetzung auf der Hinterwelle (7) übertragen; wenn die Kupplung in Eingriff mit dem hohen Gang (6) ist, verriegelt das Kettenritzel an der Vierkantwelle und wirkt als Direktantrieb für den hohen Gang.
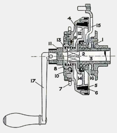
Die Freilauf - Kupplung
| Legende | |
|---|---|
| 1 | Seite des Kurbelgehäuses |
| 2 | Kurbelwelle |
| 3 | Lager mit Vierkantstrang |
| 4 | Kupplungsgehäuse |
| 5 | Fiber-Ring |
| 6 | Halteplatte für Fiber-Ring |
| 7 | Kettenritzel |
| 8 | Kugellager |
| 9 | Konus für Kugellager |
| 10 | Justier-Konus für Kugellager |
| 11 | Mutter zur Befestigung der Kupplung auf der Kurbelwelle |
| 12 | Gleitkonus |
| 13 | Kupplungsfeder |
| 14 | Außenring für Axialkugellager |
| 15 | Betätigungshebel für die Kupplung |
| 16 | Einstellkonus für Drucklager |
| 17 | Startkurbel |
Ein Gehäuseteil (4) sitzt auf einem Kugellager an einem Ende der Kurbelwelle (2); dazu gehört das Kettenritzel (7) zur Kraftübertragung auf das Hinterrad. Das äußere Element enthält einen Reibring (5) aus Fiber-Material. Ein Gleitkonus (12) ist so angeordnet, dass sie auf einem quadratischen Teil der Kurbelwelle gleitet; er wird durch eine Spiralfeder (13) mit dem Fiber-Ring (5) in Eingriff gebracht, wodurch das Kettenritzel mit der Kurbelwelle gekoppelt wird.
Auf der Außenseite des Kurbelwellenlagers (3) ist ein Vierkantstrang, der mit einem entsprechenden Gewinde in der Nabe eines Hebels (15) korrespondiert; ein Kugeldrucklager ist zwischen der Nabe dieses Hebels und der Innenseite der konischen Scheibe angeordnet. Wenn der Motor von der Bewegung der Maschine ab- oder angekoppelt werden soll wird der Hebel teilweise auf den Vierkantstrang gedrückt. Hierzu dient ein Hand- oder Fußhebel, der den Konus gegen den Druck der Feder aus dem Eingriff mit dem Fiber-Reibring preßt. So wird eine effiziente Kupplung ohne jeglichen Endschub oder Reibung im Fahrbetrieb und Freilauf im ausgekuppelten Zustand erreicht.
Der Unterbrecher - Kontakt

Der Unterbrecher ist ein eigenständiges Design, das weder eine Kontakthammer noch eine platinbestückte Schraube besitzt; er ist ein "Wischkontakt", und doch gibt es außer im Kontaktzeitpunkt keinerlei Reibung. Die Art und Weise, wie diese Kombination von erwünschten Eigenschaften erreicht wird, besteht darin, den üblichen Kontakthammer durch einen Kipphebel zu ersetzen, der eine Auskragung in der Nähe seiner Mitte hat und auf die Auskragung der sich drehenden Nocke trifft. Beim Drehen der Nocke werden diese beiden Auskragungen aneinander gerieben oder gewischt, wodurch eine Ablagerung von verharztem Öl wirksam verhindert wird. Der Kipphebel wird durch eine Druckfeder gegen das Ende einer Schraube gedrückt, die einen Anschlag bildet, der verhindert, dass der Kipphebel in Kontakt mit der Nocke bleibt. Damit sind die Vorteile des Wischkontaktes gesichert, ohne die konstante Reibung der üblichen Systemen von Wisch- oder Bürstenkontakten. Der plötzliche Eingriff des Anschlags sorgt für eine schnelle "Bremsung", was zu einem heißen und fetten Funken zwischen den Enden der Zündkerze führt. Auch dieses Konzept ist durch Patent geschützt.
Die Elektrik
Um den Ärger zu vermeiden, der so häufig dadurch entsteht, dass ein Akkumulator bis unter die Wirkungsgrenze leer wurde, ist das IMPERIAL ROVER - Motorrad mit zwei separaten Akkumulatoren ausgestattet, die mit einem Zweiwege-Schalter verdrahtet sind. Die Klemmen auf dem Schalter sind einzeln mit den Akkumulatoren verbunden und entsprechend nummeriert. So kann immer ein Akkumulator in Reserve gehalten werden, um bei den ersten Anzeichen der Entleerung umzuschalten.
Die Zündspule gehört zur höchsten Leistungsklasse der Kontaktspulen. Dies trifft auch auf die Akkumulatoren zu. Das Schaltschema verdeutlicht die Verdrahtung des Systems.
Das Werkzeug
Zweifellos gehört in diesen Jahren - ein Werkstattnetz ist erst im Aufbau - eine komplette Werkzeugausstattung zur notwendigen Technik eines Motorrads. Und ROVER liefert einen kompletten Satz mit.
Die Spezial-Werkzeugtasche mit loser Klappe enthält folgendes unverzichtbares Zubehör:
• Eine Reparatur-KombiHinzu kommt eine Auswahl an Schrauben, Muttern, Unterlegscheiben, Splinten, etc.
Ergänzend wird ein verstellbarer Maulschlüssel - nach einem Patent von J. K. Starley - zum Kauf angeboten:
Der Maulschlüssel wird in drei Größen hergestellt, passend für Fahrräder, Motorräder und Automobile. Er ist sehr sorgfältig bearbeitet und montiert, durch die spezielle Form des Gleitstückes verstärkt und durchweg aus bestem Schmiedestahl geformt. Eine äußerst nützliche Ergänzung für jeden Werkzeugkoffer.
Preise: Für das Fahrrad 3s 0d | Für das Motorrad 7s 6d | Für das Automobil 12s 6d
© 2021-2026 by ROVER - Passion / Michael-Peter Börsig