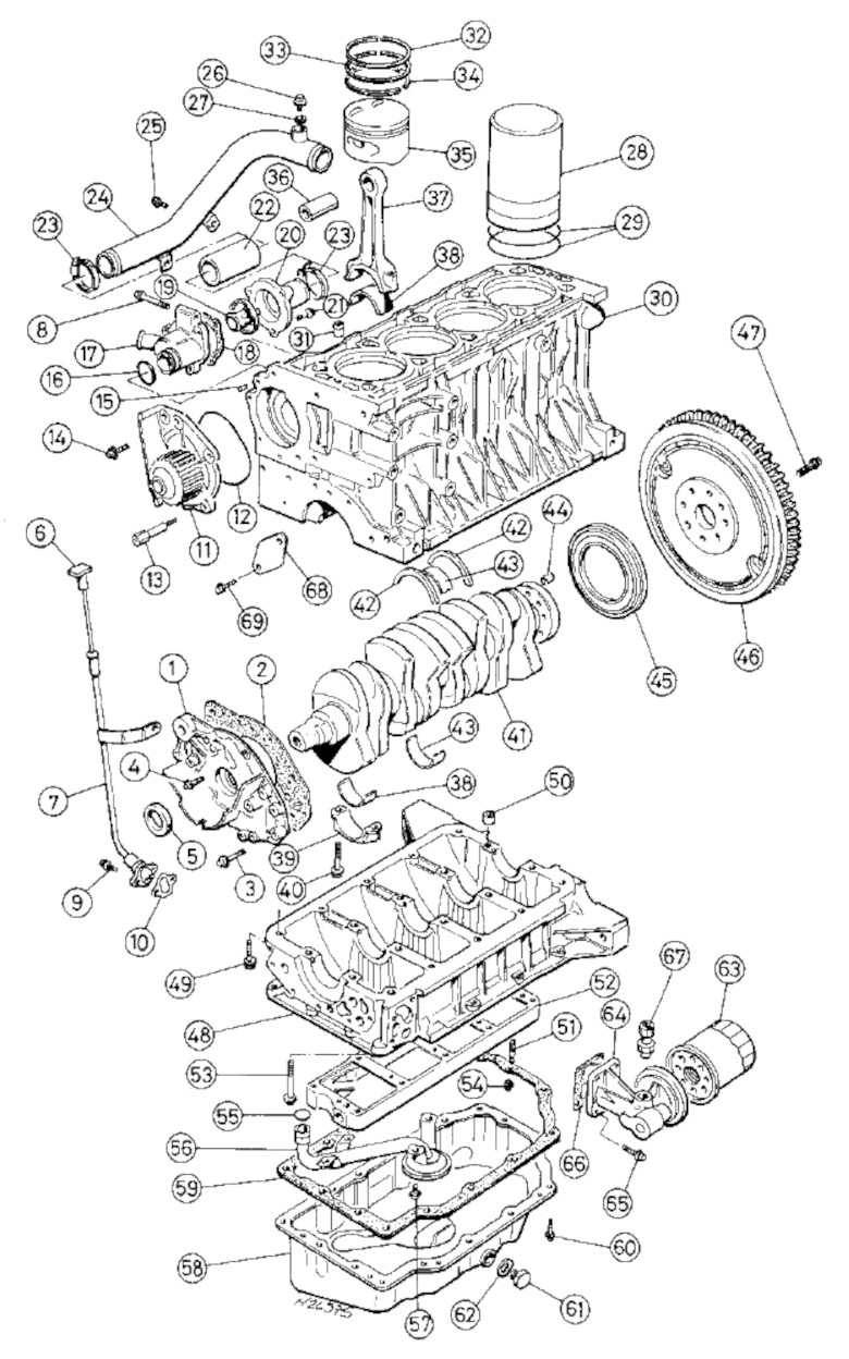
The 'K8' and 'K16' engines have a common "underbody".

| Naming of the components of the basis of the engines "K8" and "K16" of the ROVER 214 | ||
|---|---|---|
| English Terms | No. | German Terms |
| Oil pump | 1 | Ölpumpe |
| Gasket | 2 | Dichtung |
| Bolt | 3 | Schraube |
| Bolt | 4 | Bolzen |
| Oil seal | 5 | Öldichtring |
| Engine oil level dipstick | 6 | Messstab für Motorölstand |
| Dipstick tube | 7 | Peilstabrohr |
| Bolt | 8 | Schraube |
| Bolt | 9 | Bolzen |
| Gasket | 10 | Dichtung |
| Coolant pump | 11 | Kühlmittelpumpe |
| O-ring | 12 | O-Ring |
| Pillar bolt | 13 | Säulenbolzen |
| Bolt | 14 | Bolzen |
| Dowel pin | 15 | Spannstift |
| O-ring | 16 | O-Ring |
| Thermostat housing | 17 | Thermostatgehäuse |
| Gasket | 18 | Dichtung |
| Thermostat housing | 19 | Thermostatgehäuse |
| Thermostat housing | 20 | Thermostatgehäuse |
| Bolt | 21 | Schraube |
| Coolant hose | 22 | 22 Kühlmittelschlauch |
| Hose clip | 23 | Schlauchschelle |
| Coolant rail | 24 | Kühlmittelschiene |
| Screw | 25 | Schraube |
| Coolant system bleed screw | 26 | Schraube zur Entlüftung des Kühlmittelsystems |
| Sealing washer | 27 | Dichtungsscheibe |
| Liner | 28 | Auskleidung |
| O-rings | 29 | O-Ringe |
| Cylinder block/crankcase | 30 | Zylinderblock/Kurbelgehäuse |
| Dowel pin | 31 | Dübel |
| Top compression ring | 32 | Oberer Druckring |
| Second compression ring | 33 | Zweiter Kompressionsring |
| Oil control ring | 34 | Ölkontrollring |
| Piston | 35 | Kolben |
| Gudgeon pin * | 36 | Kolbenbolzen * |
| Connecting rod | 37 | Pleuelstange |
| Big-end bearing shell | 38 | Pleuellagerschale |
| Big-end bearing cap | 39 | Großer Lagerdeckel |
| Big-end bearing cap bolt | 40 | Pleuellagerdeckelschraube |
| Crankshaft | 41 | Kurbelwelle |
| Crankshaft thrustwasher | 42 | Kurbelwellen-Anlaufscheibe |
| Crankshaft main bearing shell | 43 | Kurbelwellen-Hauptlagerschale |
| Dowel pin | 44 | Dübel |
| Oil seal | 45 | Wellendichtring |
| Flywheel (with reluctor ring) | 46 | Schwungrad (mit Reluktorring) |
| Flywheel bolt | 47 | Schwungradschraube |
| Main bearing ladder * | 48 | Hauptlagerleiter * |
| Bolt | 49 | Bolzen |
| Dowel pin | 50 | Dübel |
| Stud | 51 | Bolzen |
| Oil rail | 52 | Ölschiene |
| Bolt | 53 | Bolzen |
| Nut | 54 | Mutter |
| O-rings | 55 | O-Ringe |
| Oil pump pick-up/strainer pipe | 56 | Ölpumpenaufnehmer/Siebrohr |
| Bolt | 57 | Schraube |
| Sump | 58 | Ölwanne |
| Gasket | 59 | Dichtungsscheibe |
| Bolt | 60 | Schraube |
| Engine oil drain plug | 61 | Motorölablassschraube |
| Sealing washer | 62 | Dichtungsscheibe |
| Oil filter | 63 | Ölfilter |
| Oil filter adapter | 64 | Ölfilter-Adapter |
| Bolt | 65 | Schraube |
| Gasket | 66 | Dichtungsscheibe |
| Oil pressure switch | 67 | Öldruckschalter |
| Blanking plate - carburetter engines | 68 | Abdeckplatte - Vergasermotoren |
| Screw | 69 | Schraube |
© 2021-2026 by ROVER - Passion / Michael-Peter Börsig