Alle ROVER 214 - Modelle - außer dem im September 1990 eingeführten ROVER 214 S - sind mit dem "K16"-Motor ausgestattet.

Der untere Teil der Motorkonstruktion ist [ ⇒ hier dargestellt ].
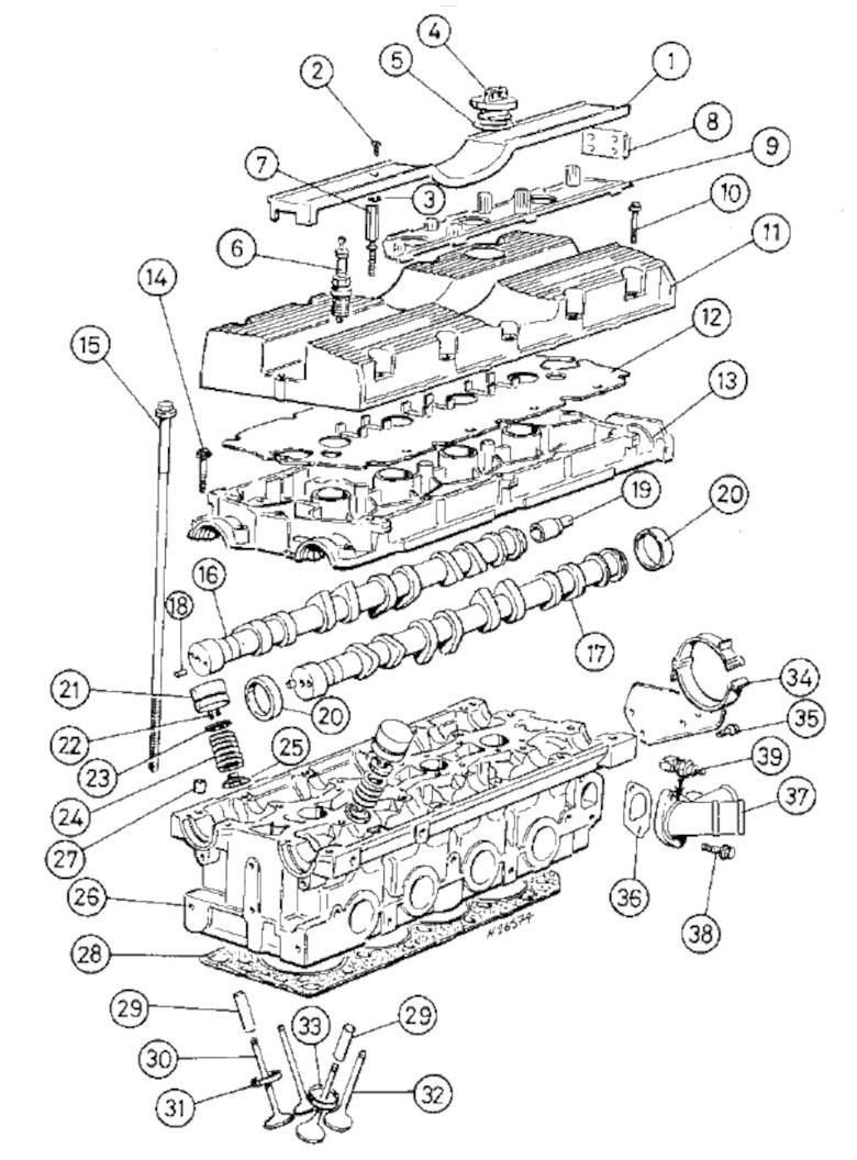
| Benennung der Komponenten des ROVER 16-Ventil-K-Motors "K16" | ||
|---|---|---|
| Englische Bezeichnung | Nr. | Deutsche Bezeichnung |
| Spark plug cover | 1 | Zündkerzenabdeckung |
| Screw | 2 | Schraube |
| Retaining washer | 3 | Haltescheibe |
| Engine oil filler cap | 4 | Motoröleinfülldeckel |
| Seal | 5 | Dichtung |
| Spark plug cover | 6 | Zündkerzenabdeckung |
| Pillar bolt | 7 | Säulenschraube |
| HT lead grommet | 8 | Zündkabel-Führungstülle |
| HT lead clip plate | 9 | Zündkabel-Führungsplatte |
| Bolt | 10 | Bolzen |
| Cylinder head cover | 11 | Zylinderkopfdeckel |
| Gasket | 12 | Dichtung |
| Camshaft carrier * | 13 | Nockenwellenträger * |
| Bolt | 14 | Schraube |
| Cylinder head bolt | 15 | Zylinderkopfschraube |
| Inlet camshaft | 16 | Einlassnockenwelle |
| Exhaust camshaft | 17 | Auslassnockenwelle |
| Roll pin | 18 | Spannstift |
| Rotor arm drive spindle | 19 | Rotorarm-Antriebsspindel |
| Oil seal | 20 | Wellendichtring |
| Hydraulic tappet | 21 | Hydraulischer Stößel |
| Split collets | 22 | Geteilte Spannzangen |
| Spring retainer | 23 | Federteller |
| Valve spring | 24 | Ventilfeder |
| Valve stem seal/spring lower seat | 25 | Ventilschaftabdichtung/Unterer Sitz Ventilfeder |
| Cylinder head bolt | 26 | Zylinderkopfschraube |
| Dowel | 27 | Dübel |
| Cylinder head gasket | 28 | Zylinderkopfdichtung |
| Valve guide | 29 | Ventilführung |
| Inlet valves | 30 | Einlassventile |
| Valve seat insert | 31 | Ventilsitzring |
| Exhaust valves | 32 | Auslassventile |
| Valve seat insert | 33 | Ventilsitzring |
| Air intake duct support bracket | 34 | Halterung für Lufteinlasskanal |
| Bolt | 35 | Schraube |
| Gasket | 36 | Dichtung |
| Coolant outlet elbow | 37 | Kühlmittelauslasskrümmer |
| Bolt | 38 | Schraube |
| Coolant temperature gauge sender unit | 39 | Gebereinheit für Kühlmitteltemperaturanzeige |
| *Note: Camshaft carrier shown for reference only | *Hinweis: Nockenwellenträger nur als Referenz dargestellt | |
© 2021-2026 by ROVER - Passion / Michael-Peter Börsig